Franke MRG 611-62 - Sudoper s ocjeđivačem 62x50 cm crna mat | MRG611-62ON
Franke MRG 611-62 - Sudoper s ocjeđivačem 62x50 cm crna mat | MRG611-62ON - Zadano Naslov je naručen i bit će poslan čim ponovno bude na zalihi.
Opis proizvoda
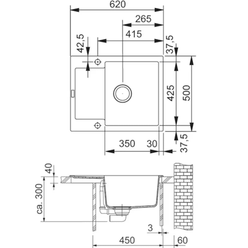
Kuhinjski granitni sudoper s ocjeđivačem Franke MRG 611-62
Granitni jednostruki sudoper s reverzibilnom ocjednom plohom namijenjen je pro ugradnju na radnu ploču i prikladan je za kuhinje u kojima kde želite praktično rješenje koje štedi prostor.
Sudoper je prikladan pro donji ormarić od 450 mm. Uključeno u Paket je košarasti ventil 3 1/2" s preljevom i sifon pro sifon koji štedi prostor 6/4" s priključkom za perilicu posuđa.
Pro pravilnu montažu potrebno je dokupiti sanitarni silikon koji brtvi sudoper i gornji dio radne ploče od prodora vlage.
Montaža na radnu ploču i priprema otvora
Sudoper ima 4 mjesta pro bušenje otvora i omogućuje ugradnju dozatora deterdženta. Kod ugradnje dozatora imajte na umu da njegov položaj zahtijeva ormarić od 700 mm.
- Montaža na radnu ploču s dimenzijom sudopera 620×500 mm.
- Prikladan pro donji ormarić od 450 mm.
- Korito sudopera ima dimenzije 350×425 mm i dubinu 200 mm.
- Reverzibilna ocjedna ploha pro fleksibilno postavljanje.
- Izrez u radnoj ploči iznosi 600×480 mm.
- U pakiranju su košarasti ventil 3 1/2" s preljevom i sifon koji štedi prostor sifon priključkom za perilicu posuđa.
- 4 pripremljena mjesta pro bušenje otvora i mogućnost dodatne ugradnje dozatora deterdženta.
Tehničke specifikacije
Dokumenti
Uz ovaj proizvod nisu povezani nikakvi dokumenti.
Pro za više informacija kontaktirajte našu podršku.


